Pant 425P-HU - boční pant deskou a s regulační maticí pro přišroubování, šroub M16, M18 a M20
Kód: 200592-01 200592-02 200593 Zvolte variantuDetailní popis produktu
Pant vhodný pro montáž na zděné nebo kovové sloupky bran středních i větších rozměrů. Možnost regulace pantu pro přesné nastavení vzdálenosti brány od sloupku. Možnost použití i pro těžší brány, vhodné pro brány otevírané elektromechanickým pohonem - např.MyAster, Leader, Ace, Advantage, Shark atd.
Technická data:
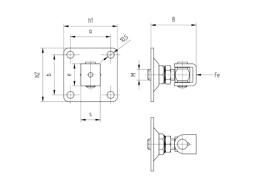
- 16 - rozměry pantu - šroubovice M16, délka pantu nastavitelná 64-75mm, rozměry plochy pro přišroubování nebo pro navaření rámu brány 33x29mm, rozměry montážní desky 80x80mm, zatížení 2 pantů: 80kg (a-55mm, B-64-75mm, b-55mm, e-33mm, h1-80, h2-80mm, M-16mm, s-29mm)
- 18 - šroubovice M18, délka šroubovice 84mm, délka závitu 45mm, rozměry plochy pro přišroubování nebo pro navaření rámu brány 44x34mm, rozměry montážní desky (ovál) 90x90mm, zatížení 2 pantů 80kg (a-68mm, B64-85mm, b-68mm, e-36mm, h1-90mm, h2-90mm, M-18mm, s-30mm)
- 20 - rozměry pantu - šroubovice M20, délka šroubovice 84mm, délka závitu 52mm, rozměry plochy pro navaření rámu brány 44x30mm, rozměry montážní desky 100x100mm, zatížení 2 pantů: 100kg (a-74mm, B-69-90mm, e-43mm, h1-100mm, h2-100mm, M-20mm, s-30mm)
Diskuze
Buďte první, kdo napíše příspěvek k této položce.
