Pant 425P - boční pant deskou a s regulační maticí pro přišroubování, šroub M16, M18, M20, M24
Kód: 200592 200594 200585 200586-02 Zvolte variantuDetailní popis produktu
Pant se závitem M16, M18, M20 nebo M24 a montážní deskou vhodný pro montáž na zděné nebo kovové sloupky bran malých a středních rozměrů, vstupních branek a pod. Možnost regulace pantu pro přesné nastavení vzdálenosti brány od sloupku. Možnost použití i pro těžší brány, vhodné pro brány otevírané elektromechanickým pohonem - např. MyAster, Leader, Ace, Advantage, Shark atd.
Technická data:
- 16 - šroubovice M16, délka šroubovice 68mm, délka závitu 35mm, rozměry plochy pro přišroubování nebo pro navaření rámu brány 44x34mm, rozměry montážní desky 80x80mm, zatížení 2 pantů 60kg
- 18 - šroubovice M18, délka šroubovice 84mm, délka závitu 45mm, rozměry plochy pro přišroubování nebo pro navaření rámu brány 44x34mm, rozměry montážní desky (ovál) 123x67mm, zatížení 2 pantů 80kg
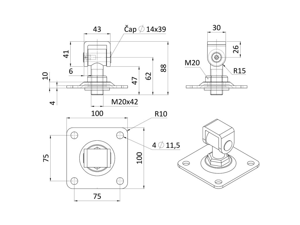
- 20 - šroubovice M20, délka šroubovice 84mm, délka závitu 52mm, rozměry plochy pro přišroubování rámu brány 44x34mm, rozměry montážní desky 100x100mm, zatížení 2 pantů 100kg
- 24 - šroubovice M24, délka šroubovice 87mm, délka závitu 47mm, rozměry plochy pro přišroubování rámu brány 44x34mm, rozměry montážní desky 120x120mm, zatížení 2 pantů 150kg
Buďte první, kdo napíše příspěvek k této položce.
Přidat komentář
